中文版
ENGLISH
网站首页
走进新大
新闻咨询
产品中心
检测设备
企业环境
在线留言
联系我们
公司介绍
企业文化
企业荣誉
质量保证
企业优势
视频播放
公司动态
行业资讯
电熔系列
热熔系列
球阀系列
钢塑系列
钢丝网系列
承插系列
其他系列
辅件系列
技术文件
样本下载
视频专区
电熔系列
热熔系列
球阀系列
钢塑系列
钢丝网系列
承插系列
其他系列
辅件系列
名称:
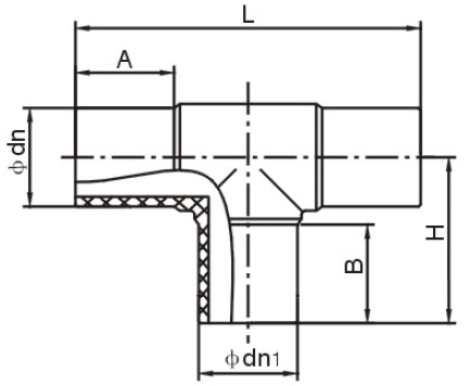
热熔等径三通
编号:
B-005
询价
详细介绍
您现在的位置:
产品展示
->
承插系列
-> 快速接头